Profil podtynkowy Archlines czarny 1m
Opis
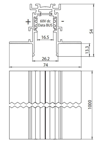
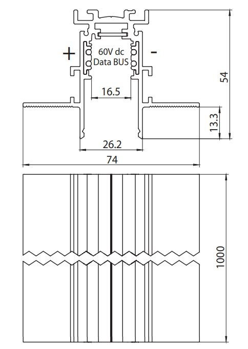
Profile magnetyczne Archlines są szynoprzewodami rozprowadzającymi zasilanie oraz sygnały sterujące DALI do systemowych opraw Archlines. Profile są oferowane wyłącznie w kolorze czarnym w dwóch długościach – 1m (9500-1/B-ST5) oraz 2m (9500-2/B-ST5). Są one wykonane z aluminium i wyposażone w stalową wkładkę magnetyczną umieszczoną w szczelinie konstrukcyjnej w ich górnej części. Wkładka odpowiada za magnetyczne mocowanie opraw w profilach. W szczelinach konstrukcyjnych w ściankach bocznych umieszczone są wkładki z tworzywa z miedzianymi przewodami tworzącymi obwody elektryczne. Są tam zlokalizowane obwody - zasilający oraz sterujący pracą opraw. Profile i wkładki można docinać do zaprojektowanych wymiarów z zachowaniem wskazówek zawartych w dalszej części tego opracowania. Każdą z wkładek można wysunąć, co ułatwia operacje cięcia i otworowania profili, oraz przycinania samych wkładek.
Profile Archlines Trimless ST5 są przewidziane do bezramkowego montażu w sufitach podwieszanych G/K.
Kod katalogowy: 9500-1/B-ST5







